Welcome to Anchorlift Support

Friendly, convenient & professional help.

Anchorlift 5-year warranty badge

Anchorlift's 5-year Warranty

∧ Back to Top

Anchorlift strives to make windlasses and windlass accessories with the highest quality materials possible and provides a 5-Year Warranty on all of our windlass models and windlass accessories. Anchorlift's 5-Year Warranty covers all windlass models and windlass accessories that are found to be defective and will replace the defective part(s) free of charge within 5 years of the purchase date.

EXCLUSIONS:

  • Natural wear and tear to windlass models and accessories is not covered.
  • Not applicable to damage due to negligence, improper installation, improper use, or actions not specified by Anchorlift.
  • Do not haul seabed or drag boat to the anchor; motor up to the anchor and break it loose using the boat.
  • If the boat is heavy for its size or used commercially, choose a larger windlass.
  • Warranty void if equipment is altered or repaired by unqualified personnel.
  • Rope/chain combinations are not included.

SHIPPING: Purchaser pays shipping for replacement part(s) and any removal/installation charges. Anchorlift will not pay shipping on received defective products and is not responsible for damages to gear/motor or other parts.

WARRANTY REPLACEMENT INSTRUCTIONS: Mail the defective part(s) to us with all shipping pre-paid.

Anchorlift buyers’ guide and selection chart

Buyers' Guide & Selection Chart

∧ Back to Top

When selecting a windlass system there are some important matters to consider:

  • boat size
  • displacement
  • windage
  • anchor size
  • chain size

Choosing a windlass that is too small for your boat can compromise safety and lead to costly repairs. Windlasses are commonly rated by their maximum pulling (lifting) power and maximum working load. Anchorlift offers windlasses in several sizes and designs, with motors from 400–4000 watts in 12, 24, 230 and 380 V.

VERTICAL WINDLASSES — Models such as Barracuda, Dolphin, Mako and Aquarius are popular because they take up little deck space and are lighter than horizontal units. They’re also easy to install and typically don’t require more mounting holes than horizontal windlasses. A major advantage is protection from salt water, since the gear and motor are installed below deck. On vertical windlasses the chain/rope makes a 180° turn around the gypsy before dropping, which keeps it seated tighter and feeds more smoothly.

HORIZONTAL WINDLASSES — Horizontal models such as Stingray have all components above deck and are often chosen by boaters who prefer the design or have limited below-deck locker space for chain/rope.

User Manual Downloads / Mounting Template / Partlist

∧ Back to Top

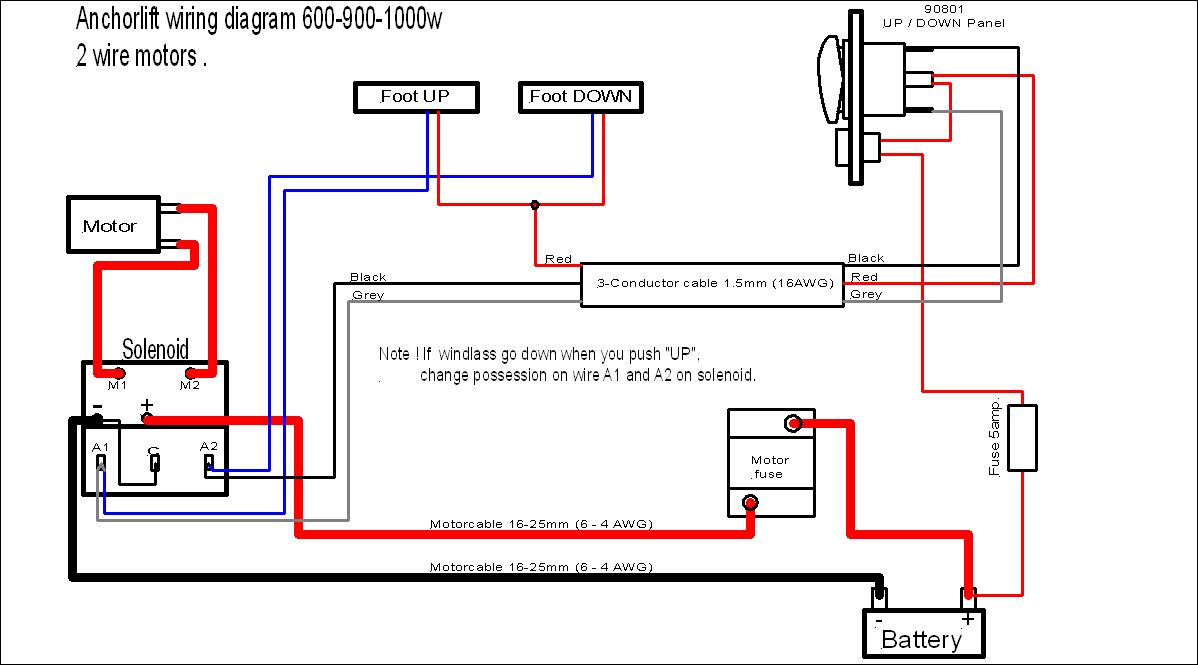
Electrical Installation Diagrams

∧ Back to Top

Windlass System Troubleshooting – FAQ's

∧ Back to Top
Nothing happens when I use the Up & Down switches. What could be causing this?

A: It could be a shortage of power to the Up & Down switches.

Suggestion: Try flipping the On/Off switch and check if the fuse has blown.

The solenoid clicks but the windlass will not go either way. What is the problem?

A: There is sufficient power to the solenoid, but not to the windlass.

Suggestion: Check the power supply for the windlass motor. See if the main fuse has blown. (The main motor fuse is 70–150 A, while the solenoid fuse is 5 A.)

The windlass works normally, but doesn't have enough power to haul the anchor. What could be causing this?

A: The windlass clutch is too loose.

Suggestion: Use the windlass handle to tighten the clutch.

The windlass operates normally, but the chain does not come in. What is causing this?

A: The chain gets jammed on the windlass or underneath it.

Suggestion: This is common with new chains (heavy galvanizing). Pay the chain out and bring it in again. Make sure the chain locker is large enough. If the chain gets stuck without you noticing, the main fuse may blow.

My windlass seems weak and powerless, and the drop and haulage speed is slow. What causes this?

A: A weak battery / voltage drop (windlasses draw high current).

Suggestion: Use the correct cable size for the motor and ensure the battery is healthy. Low voltage can cause the main fuse to blow.